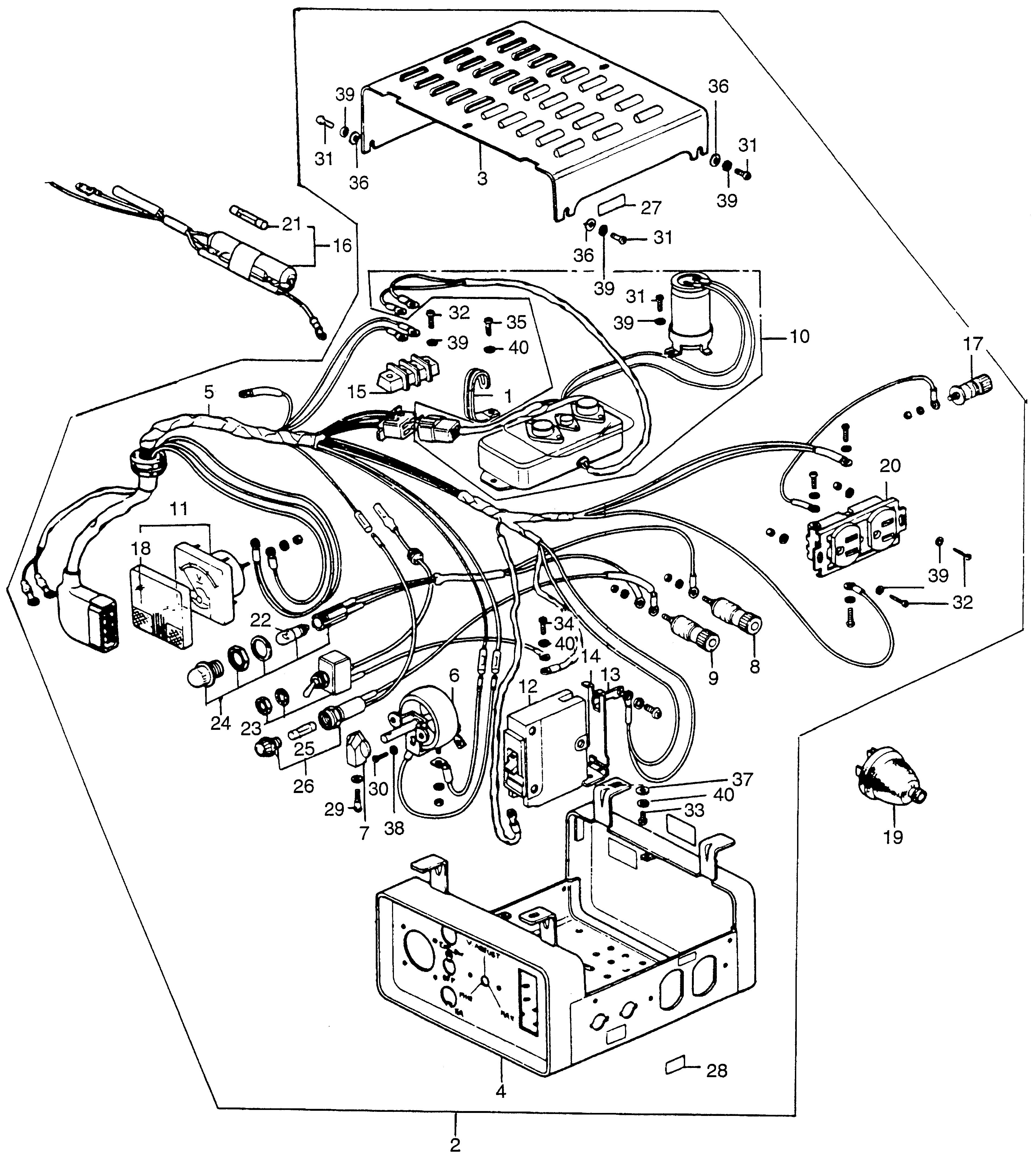
Generators E E2500 E2500K3 A E2500-2000093-2043277 CONTROL BOX - Cason's Equipment

Ref No
Part Number
Description
Serial Range
Qty
Price

Ref No
1
Part Number
30564-871-601
Description
CLAMP B, WIRE
Serial Range
1000001 - 9999999
Qty
Price
$7.32

Ref No
2
Part Number
31400-877-671H
Description
BOX ASSY., CONTROL *R8* (BRIGHT RED)
Serial Range
1000001 - 9999999

Ref No
3
Part Number
31401-876-158H
Description
COVER, CONTROL BOX (UPPER) *R8* (BRIGHT RED)
Serial Range
1000001 - 9999999

Ref No
4
Part Number
31402-876-158H
Description
COVER, CONTROL BOX (LOWER) *R8* (BRIGHT RED)
Serial Range
1000001 - 9999999

Ref No
5
Part Number
31404-877-158
Description
WIRE HARNESS ASSY. (NOT AVAILABLE)
Serial Range
1000001 - 9999999

Ref No
6
Part Number
31406-876-003
Description
RESISTOR, VARIABLE (NOT AVAILABLE)
Serial Range
1000001 - 9999999

Ref No
7
Part Number
31407-815-158
Description
KNOB, ADJUSTING (NOT AVAILABLE)
Serial Range
1000001 - 9999999

Ref No
8
Part Number
31408-880-000
Description
TERMINAL, D.C. OUTPUT (+)
Serial Range
1000001 - 9999999
Qty
Price
$45.58

Ref No
9
Part Number
31409-880-000
Description
TERMINAL, D.C. OUTPUT (-)
Serial Range
1000001 - 9999999
Qty
Price
$45.58

Ref No
10
Part Number
31410-871-315
Description
REGULATOR ASSY., AUTOMATIC VOLTAGE (NOT AVAILABLE)
Serial Range
1000001 - 9999999

Ref No
11
Part Number
37450-898-000
Description
VOLTMETER ASSY.
Serial Range
1000001 - 9999999
Qty
Price
$230.32

Ref No
12
Part Number
31431-899-630
Description
BREAKER, CIRCUIT (25A) (NOT AVAILABLE)
Serial Range
1000001 - 9999999

Ref No
13
Part Number
31414-876-158
Description
TERMINAL, BREAKER
Serial Range
1000001 - 9999999

Ref No
14
Part Number
31415-815-168
Description
SUPPORT, BREAKER (NOT AVAILABLE)
Serial Range
1000001 - 9999999

Ref No
15
Part Number
31419-876-158
Description
TERMINAL (2 POLE)
Serial Range
1000001 - 9999999

Ref No
16
Part Number
31420-871-305
Description
FUSE DIODE
Serial Range
1000001 - 9999999

Ref No
17
Part Number
31428-880-000
Description
TERMINAL ASSY., GROUND (NOT AVAILABLE)
Serial Range
1000001 - 9999999

Ref No
18
Part Number
31499-839-158
Description
LENS, METER (NOT AVAILABLE)
Serial Range
1000001 - 9999999

Ref No
19
Part Number
32310-812-640
Description
PLUG ASSY., RECEPTACLE
Serial Range
1000001 - 9999999
Qty
Price
$6.70

Ref No
20
Part Number
32333-880-680
Description
RECEPTACLE (15A/125V)
Serial Range
1000001 - 9999999
Qty
Price
$80.04

Ref No
21
Part Number
32342-871-000
Description
FUSE (2.5A) (NOT AVAILABLE)
Serial Range
1000001 - 9999999

Ref No
22
Part Number
34909-880-000
Description
BULB, DASH (24V-2W)
Serial Range
1000001 - 9999999
Qty
Price
$8.34

Ref No
23
Part Number
36100-876-158
Description
SWITCH ASSY., ENGINE (NOT AVAILABLE)
Serial Range
1000001 - 9999999

Ref No
24
Part Number
37561-868-158
Description
SOCKET ASSY., PILOT LAMP (NOT AVAILABLE)
Serial Range
1000001 - 9999999

Ref No
25
Part Number
38201-880-000
Description
FUSE (15A)
Serial Range
1000001 - 9999999
Qty
Price
$3.64

Ref No
26
Part Number
38211-868-158
Description
HOLDER ASSY., FUSE (NOT AVAILABLE)
Serial Range
1000001 - 9999999

Ref No
27
Part Number
87524-839-670
Description
MARK C, CAUTION (NOT AVAILABLE)
Serial Range
1000001 - 9999999

Ref No
28
Part Number
87536-840-000
Description
MARK B, D.C. OUTPUT (NOT AVAILABLE)
Serial Range
1000001 - 9999999

Ref No
29
Part Number
90191-815-168
Description
BOLT, KNOB (NOT AVAILABLE)
Serial Range
1000001 - 9999999

Ref No
30
Part Number
93500-03006-0H
Description
SCREW, PAN (3X6)
Serial Range
1000001 - 9999999
Qty
Price
$1.00

Ref No
31
Part Number
93500-04006-0H
Description
SCREW, PAN (4X6)
Serial Range
1000001 - 9999999
Qty
Price
$1.10

Ref No
32
Part Number
93500-04012-0H
Description
SCREW, PAN (4X12)
Serial Range
1000001 - 9999999
Qty
Price
$1.10

Ref No
33
Part Number
93500-05008-0H
Description
SCREW, PAN (5X8)
Serial Range
1000001 - 9999999
Qty
Price
$1.10

Ref No
34
Part Number
93500-05008-3J
Description
SCREW, PAN (5X8)
Serial Range
1000001 - 9999999
Qty
Price
$1.14

Ref No
35
Part Number
93500-05010-0H
Description
SCREW, PAN (5X10)
Serial Range
1000001 - 9999999
Qty
Price
$1.10

Ref No
36
Part Number
94101-04800
Description
WASHER, PLAIN (4MM)
Serial Range
1000001 - 9999999
Qty
Price
$1.20

Ref No
37
Part Number
94101-05800
Description
WASHER, PLAIN (5MM)
Serial Range
1000001 - 9999999
Qty
Price
$1.20

Ref No
38
Part Number
94111-03800
Description
WASHER, SPRING (3MM)
Serial Range
1000001 - 9999999
Qty
Price
$0.80

Ref No
39
Part Number
94111-04800
Description
WASHER, SPRING (4MM)
Serial Range
1000001 - 9999999
Qty
Price
$1.20

Ref No
40
Part Number
94111-05800
Description
WASHER, SPRING (5MM)
Serial Range
1000001 - 9999999
Qty
Price
$1.38